咨询电话
19138960569
网站首页
关于我们
企业介绍
资质力量
公示中心
信息公示
报告公示
服务项目
鑫民睿产业力量介绍
安全技术服务
消防工程服务
水土保持
乙级测绘资
矿山工程设计
水文、水资源
地质灾害
工程监理、工程咨询
城乡规划编制
建筑劳务施工
工程勘察
城乡规划编制
工程设计
雷电防护装置检测
新闻资讯
联系我们
当前位置:
首页
公示中心
报告公示
案例中心
Cases
部分业绩
报告公示
报告公示
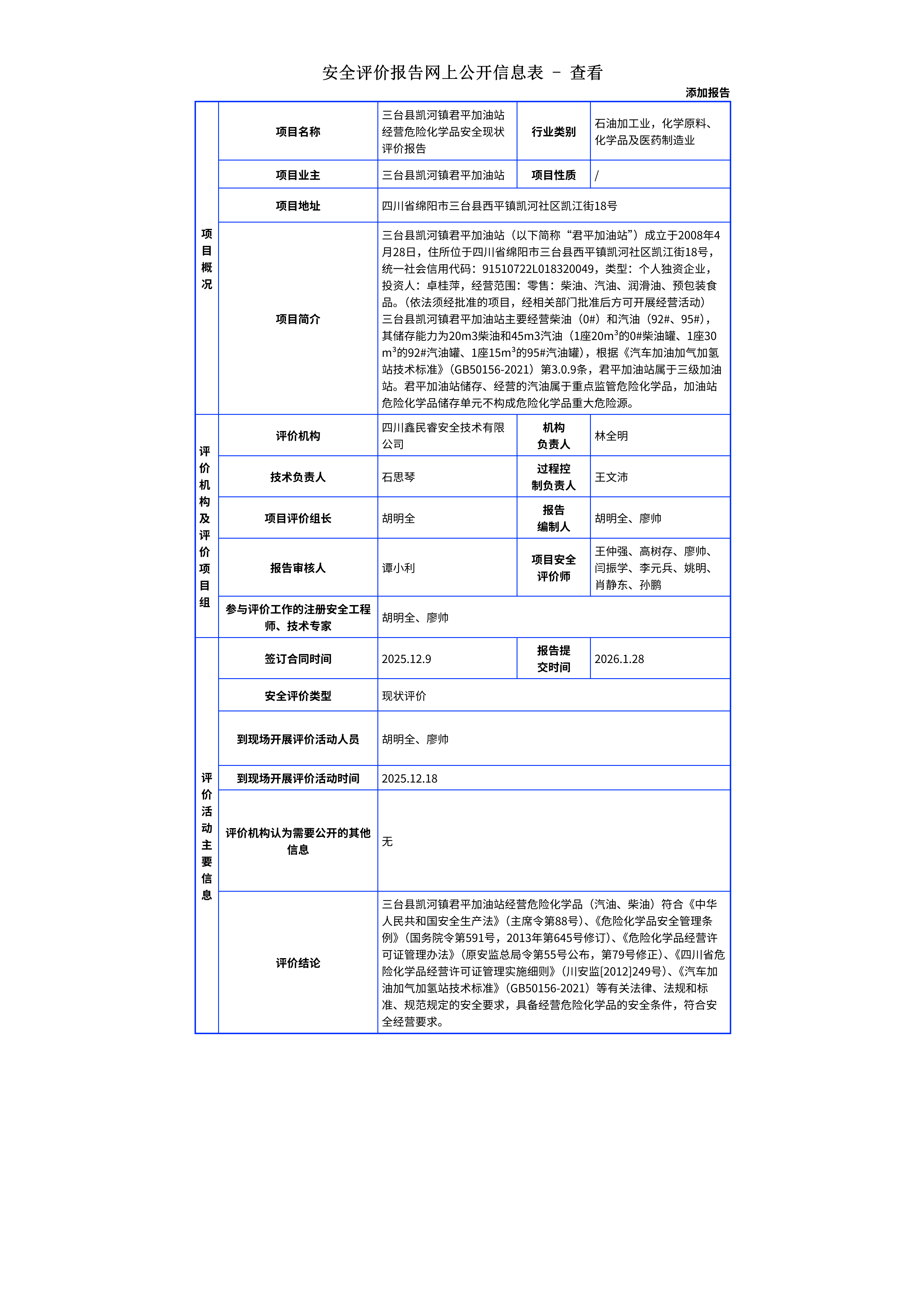
349三台县凯河镇君平加油站经营危险化学品安全现状评价报告
现场勘察照片: